

永磁電機+驅動器
TYC系列(中心高H:112mm-225mm,KW:5.5KW一75KW)電機是針對空壓機市場開發的空壓機用永磁同步一體機。一般電壓為380v,護等級IP23,具有高效、節能、噪音低、振動小、可靠性能高等特點,其功率等級及安裝尺寸完全符合IEC標準。
服務熱線:13392386455
| 規格型號 | TYC112 | TYC132 | TYC160 | TYC180 | TYC225 | |||||
| S-8/5.5 | M-8/7.5 | S-8/11 | M-8/15 | M-8/22 | L-8/30 | L-8/37 | L-8/45 | L-8/55 | L-8/75 | |
| 額定轉速 | 3000rpm | 3000rpm | 3000rpm | 3000rpm | 3000rpm | 3000rpm | 3000rpm | 3000rpm | 3000rpm | 3000rpm |
| 額定頻率 | 2000Hz | 200Hz | 200Hz | 200Hz | 200Hz | 200Hz | 200Hz | 200Hz | 200Hz | 200Hz |
| 額定功率 | 5.5KW | 7.5KW | 11KW | 15KW | 22KW | 30Kw | 37KW | 45KW | 55KW | 75KW |
| 額定電壓 | 380v | 380v | 380v | 380v | 380v | 380v | 380v | 380v | 380v | 380v |
| 額定電流 | 11.1A | 13A | 19A | 25.5A | 35.5A | 50.5A | 62A | 62A | 99A | 127A |
| 效率 | 90.5% | 91.5% | 92.6% | 93.5% | 94.5% | 95.0% | 94.8% | 94.8% | 96% | 96% |
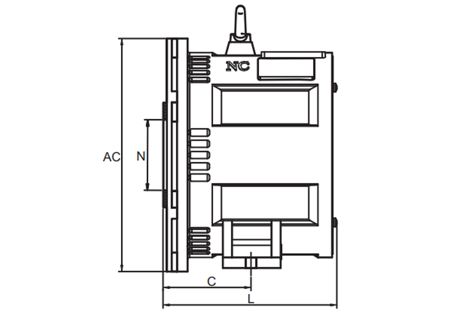
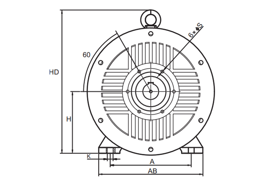
| 規格型號 | 功率 | 安裝尺寸 | |||||||||
| A | AB | H | K | HD | AC | N | C | L | ΦS | ||
| TYC112 | 5.5KW | 188 | 220 | 110 | 12 | 257 | 235 | 95 | 90 | 177 | 8.5 |
| TYC112 | 7.5KW | 188 | 220 | 110 | 12 | 257 | 235 | 95 | 90 | 177 | 8.5 |
| TYC132 | 11Kw | 270 | 305 | 150 | 13.5 | 335 | 285 | 90 | 114 | 193 | 8.5 |
| TYC132 | 15KW | 270 | 305 | 150 | 13.5 | 335 | 285 | 90 | 114 | 193 | 8.5 |
| TYC160 | 22Kw | 270 | 300 | 150 | 13.5 | 365 | 315 | 150 | 114 | 198 | 8.5 |
| TYC180 | 30KW | 270 | 326 | 180 | 13.5 | 415 | 350 | 160 | 122 | 230 | 11 |
| TYC180 | 37KW | 270 | 326 | 180 | 13.5 | 415 | 350 | 160 | 122 | 230 | 11 |
| TYC180 | 45KW | 270 | 326 | 180 | 13.5 | 415 | 350 | 160 | 122 | 230 | 11 |
| TYC225 | 55KW | 400 | 466 | 225 | 22 | 495 | 440 | 220 | 185 | 320 | 13 |
| TYC225 | 75KW | 400 | 466 | 225 | 22 | 495 | 440 | 220 | 185 | 320 | 13 |
專注于閉環矢量控制領域,適用于造紙,冶金、紡織、印染、化纖、印包等多傳動系統。
擁有2萬平獨立工業園,配備自動噴涂機、單板測試臺、整機測試臺、三防漆涂覆機等全套半自動、全自動生產設備及手工組裝線,年產量可達30多萬臺。
東莞總倉、石家莊倉、濟南倉、無錫倉、臨沂倉等5大成品倉庫常年備貨,并擁有原材料倉庫及備用倉,確保供貨快速及時,準時交付。
模塊、芯片、光耦等主要原材料采用一線進口品牌,入廠時全檢并存放自有原材料倉庫,確保材料大批量使用前的兼容性,從源頭把控產品品質。
防靜電無塵車間,嚴格執行ISO9001、歐盟CE、中國3C質量安全管理標準;擁有自動整機測試、單板測試臺、脈沖群測試、示波器等全套檢測設備,每一臺產品都經過PCBA、高溫老化、電機負載、帶載等多重檢測,保證成品滿分合格出廠。
20多位超過18年以上行業研發經驗團隊,能以市場導向規劃產品,從產品功能、性能、可制造、可維護等方面進行產品研發,為客戶提供高性價比的產品,降低客戶的使用成本。
與高校、研究院、國內半導體及芯片廠商達成戰略合作,并成立聯合研發實驗室,先后獲得變頻器外觀設計、變頻器世界技術產品創新獎等100多項產品外觀及技術專利證書。
8年來,德瑞斯信守承諾,針對不同級別的代理經銷商提供不同的政策扶持,對于不同代理模式的合作伙伴也會給予他們更大的權益保障,確保代理商之間權益不沖突,在堅守德瑞斯品牌信譽的同時,更大化的保障不同地區的代理商權益。
全國各地合作渠道商、辦事處及專門的技術團隊,定期跟蹤客戶,為客戶提供產品或技術方案、線上視頻調試、上門支持等服務,滿足客戶本地化服務需求。
售后團隊快速響應,7*24小時400售后熱線服務,快速解決客戶的問題。
現如今常用的空壓機變頻器有分體式和一體式的,今天變頻器廠家德瑞斯給大家視頻介紹一下咱們的空壓機一體機變頻器 - EP100系列吧! 【詳情+】
客服二維碼
公眾號
抖音二維碼
生產總部:東莞市厚街鎮桑園街11號
drsshy@dirise.cn